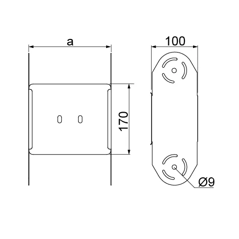
Елемент вертикального повороту регульований ELZP500H100 (313250) Виробник: BAKS Артикул: ELZP500H100 Ціна за дзвінком Кількість: Замовити Індивідуальний список бажань ОК Додати до списку бажань Додати до списку порівняння Повідомити друга ЗАСТОСУВАННЯ Відхилення під час прокладання кабелю. Повнодіапазонне регулювання кута з фіксатором. Матеріал Гарячеоцинкована сталь згідно з PN-EN ISO 1461:2011 (HDG) Доступно для замовлення: E - нержавіюча сталь (SS) L - порошкове покриття в повній палітрі кольорів (ПК) Для встановлення регульованого вертикального вигнутого елемента використовуйте комплекти гвинтів SM M8x16 Можливість створення регульованих вертикальних вигинів будь-якого внутрішнього радіуса за допомогою шарнірних з'єднувачів. Матеріал F - гарячеоцинкована сталь PN-EN ISO 1461:2023-02 Доступні варіанти оздоблення: E - нержавіюча сталь L - фарбування у стандартний колір RAL Додаткова інформація Для встановлення регульованого вертикального вигину використовуйте комплекти гвинта SMM8x16. Характеристики товару Назва атрибуту Значення атрибуту Системи кабельних трас Типи елементів елемент Висота борта H100 Товщина листа 1.5 мм Властивості матеріалу F - гарячеоцинкована сталь, E - нержавіюча сталь, L - фарбування в стандартний колір RAL Вага 1шт [кг] 1.56 Кількість [шт] 4 Ширина a [мм] 500
ЗАСТОСУВАННЯ Відхилення під час прокладання кабелю. Повнодіапазонне регулювання кута з фіксатором. Матеріал Гарячеоцинкована сталь згідно з PN-EN ISO 1461:2011 (HDG) Доступно для замовлення: E - нержавіюча сталь (SS) L - порошкове покриття в повній палітрі кольорів (ПК) Для встановлення регульованого вертикального вигнутого елемента використовуйте комплекти гвинтів SM M8x16 Можливість створення регульованих вертикальних вигинів будь-якого внутрішнього радіуса за допомогою шарнірних з'єднувачів. Матеріал F - гарячеоцинкована сталь PN-EN ISO 1461:2023-02 Доступні варіанти оздоблення: E - нержавіюча сталь L - фарбування у стандартний колір RAL Додаткова інформація Для встановлення регульованого вертикального вигину використовуйте комплекти гвинта SMM8x16.