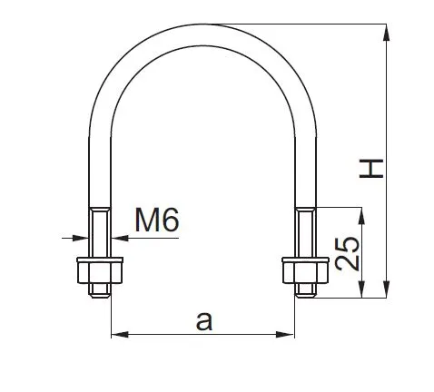
Болт U-подібний круглий CYB50E (899950) Виробник: BAKS Артикул: CYB50E Ціна за дзвінком Кількість: Замовити Індивідуальний список бажань ОК Додати до списку бажань Додати до списку порівняння Повідомити друга Кріплення системи до балконних перил за допомогою круглий переріз Матеріал E - нержавіюча сталь Додаткова інформація - вироби з нержавіючої сталі з дуже високим рівнем корозії опір - розміри U-подібних болтів підходять для більшості профілів, з яких виготовлений балкон виготовляються перила - швидкий монтаж систем до балконних перил Характеристики товару Назва атрибуту Значення атрибуту Системи кабельних трас Типи елементів кріплення Товщина листа 0.0 мм Властивості матеріалу E - нержавіюча сталь Вага 1шт [кг] 0.03 Кількість [шт] 1 Висота H [мм] 69 Розмір a [мм] 52
Кріплення системи до балконних перил за допомогою круглий переріз Матеріал E - нержавіюча сталь Додаткова інформація - вироби з нержавіючої сталі з дуже високим рівнем корозії опір - розміри U-подібних болтів підходять для більшості профілів, з яких виготовлений балкон виготовляються перила - швидкий монтаж систем до балконних перил