Поворот 45° вертикальний LUMNJ100H50 (130856)

Виробник: BAKS
Артикул: LUMNJ100H50
Ціна за дзвінком

Зміна напрямку прокладки кабелю.

Матеріал

S - оцинкована за методом Сендзіміра сталь PN-EN 10346:2015-09

Доступні покриття:

F - гаряче оцинкована сталь PN-EN ISO 1461:2023-02

E - нержавіюча сталь

L - фарбування в стандартний колір RAL

Додаткова інформація

– кріплення за допомогою болтів SGKM6x12 або SGM6x12

– може використовуватися як зовнішній або внутрішній вигин

Характеристики товару

Назва атрибуту Значення атрибуту
Системи кабельних трас
Типи елементів поворот
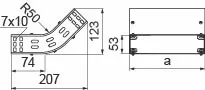
Висота борта H50
Товщина листа 1.0 мм
Властивості матеріалу S - оцинкована сталь за методом Сендзіміра, F - гарячеоцинкована сталь, E - нержавіюча сталь, L - фарбування в стандартний колір RAL
Вага 1шт [кг] 0.41
Кількість [шт] 1
Розмір a внутрішній [мм] 103