Кут вертикальний лівий KRLBJ300H110 (128130)

Виробник: BAKS
Артикул: KRLBJ300H110
Ціна за дзвінком

Відводи при прокладанні кабелів.

Матеріал

S - оцинкована за методом Сендзіміра сталь PN-EN 10346:2015-09

Доступні покриття:

F - гаряче оцинкована сталь PN-EN ISO 1461:2023-02

E - нержавіюча сталь

L - фарбування в стандартний колір RAL

Додаткова інформація

Для монтажу використовуйте комплекти гвинтів SGKM6x12 або SGM6x12.

Примітка
Вбудовані з'єднувачі. Збірка без додаткових з'єднувачів.

Характеристики товару

Назва атрибуту Значення атрибуту
Системи кабельних трас
Типи елементів кут
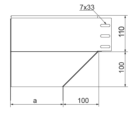
Висота борта H110
Товщина листа 1.0 мм
Властивості матеріалу S - оцинкована сталь за методом Сендзіміра, F - гарячеоцинкована сталь, E - нержавіюча сталь, L - фарбування в стандартний колір RAL
Вага 1шт [кг] 3.67
Кількість [шт] 1
Розмір a [мм] 300