Кронштейн для двотаврової балки WDOD600 (721463)

Виробник: BAKS
Артикул: WDOD600
Ціна за дзвінком

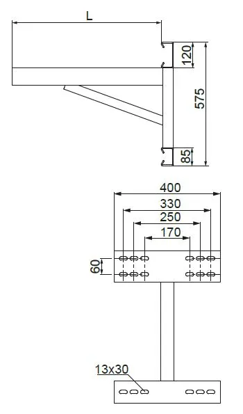
Монтаж лотків, кабельних драбин, труб та інших елементів з важкими навантаженнями. Разом з профілем CE60H40/... або CMT41H41/..., який подовжує настінний кронштейн, можна змістити кабельний маршрут відносно стіни.

Матеріал

F - гарячеоцинкована сталь PN-EN ISO 1461:2023-02

Доступні варіанти оздоблення:

L - фарбування у стандартний колір RAL

Додаткова інформація

– під час монтажу настінного кронштейна до сталевої конструкції використовуйте затискні кронштейни UDCN10 – UDCN40

– вибір кронштейнів залежить від товщини прогону

– мінімальна кількість затискних кронштейнів при монтажі на сталеву конструкцію – 4 комплекти

– максимальна кількість затискних кронштейнів при монтажі на сталеву конструкцію (макс. навантаження) – 6 комплектів

– мінімальна кількість дюбелів при монтажі до бетону – 4 шт.

– максимальна кількість розпірних болтів при монтажі до бетону (макс. навантаження) – 6 шт.

Характеристики товару

Назва атрибуту Значення атрибуту
Системи кабельних трас
Типи елементів кронштейн
Товщина листа 0.0 мм
Властивості матеріалу F - гарячеоцинкована сталь, L - фарбування в стандартний колір RAL
Вага 1шт [кг] 13.49
Кількість [шт] 1
Довжина L [мм] 650 mm
F макс. [кН] 12